Mongge
Exercises
Collections
Editor
Català
English
Español
Euskera
Italiano
Sign in
Sign up
Sign up
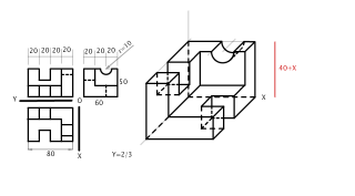
Trazar un cilindro. Isometría
saradelgador
5/18/20
3,329
Follow
Answer
Solution
Óvalo axonométrico
Trazado de un cilindro en una isometría
x
y
z
URL of the exercise
Embed code