PARALELISMO RECTA-RECTA

Risoluzione
Esegui soluzione


}}}}}}}}}


PARALELISMO RECTA-RECTA

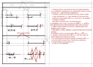
RECTA PARALELA A OTRA RECTA

POR UN PUNTO


a'

a

RECTA PARALELA A OTRA RECTA

POR UN PUNTO

¿Se ve?

¿Qué hay que hacer? punto - recta - plano

¿Se ve?

¿Qué hay que hacer? punto - recta - plano

r'

r

a'

a

b'

b

c'

c

r'=r