Mongge
Ejercicios
Colecciones
Editor
Català
English
Español
Euskera
Italiano
Iniciar sesión
Registrarse
Registrarse
29-02_Axo-corb-PAU-2016
AdAstra
20/8/24
303
Seguir
Resolución
Solución
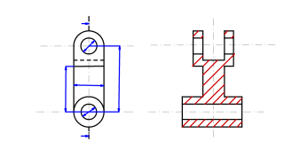
AXONOMETRIA. PAU 2016
Perspectiva DIN-5
}
}
}
}
1,5a
1a
1a
X
Y
X(1)
Z(1)
Y(1)
p'
p
p''
p
Laporta
URL del ejercicio
Código para embeber