Completar con tercera vista (Planta)
Resolución
Solución
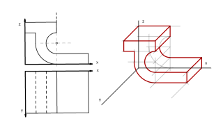
A4.- Completar la representación de la figura con la tercera vista, a partir de las dos vistas proporcionadas: alzado y perfil izquierdo.
A4.- Completar la representación de la figura con la tercera vista, a partir de las dos vistas proporcionadas: alzado y perfil izquierdo.