Mongge
  • Ejercicios
  • Colecciones
  • Editor
  • Iniciar sesión
  • Registrarse

Cubierta, modelos 2024

sgarrido34
sgarrido34
31/1/25 
 328
 
Resolución
Solución

0/127
  • Trazados fundamentales
    Trazados fundamentales
    2BachilleratoTierraIvan
    2BachilleratoTierraIvan
    28/9/14 
     1551
     
  • Lámina 6.4. Ejercicio 1
    Lámina 6.4. Ejercicio 1
    jjalbaladejo
    jjalbaladejo
    2/11/24 
     418
     
  • multiply these segments (1 ESO)
    multiply these segments (1 ESO)
    _dibujo_
    _dibujo_
    14/11/21 
     283
     
  • calcular la mediatriz
    calcular la mediatriz
    realdiego_
    realdiego_
    15/3/18 
     1939
     
  • pentágono y decágono inscritos en circunferencia
    pentágono y decágono inscritos en circunferencia
    jcarlos.reyg
    jcarlos.reyg
    24/5/16 
     3253
     
  • Eraiki TRIANGELU ALDEKIDE bat a aldea jakinik
    Eraiki TRIANGELU ALDEKIDE bat a aldea jakinik
    isaralegi
    isaralegi
    5/10/23 
     55
     
  • Homología 2020-1
    Homología 2020-1
    PacoDoblas
    PacoDoblas
    6/10/21 
     586
     
  • Circunferencia tangentes a dos rectas dado el radio
    Circunferencia tangentes a dos rectas dado el radio
    saradelgador
    saradelgador
    11/5/20 
     548
     
  • CUADRANTE #4
    CUADRANTE #4
    sebas_2820
    sebas_2820
    5/5/21 
     731
     
  • Sistema Axonometrikoa_Perspektiba Kaballera eta Bistak
    Sistema Axonometrikoa_Perspektiba Kaballera eta Bistak
    buriona
    buriona
    13/5/24 
     86
     
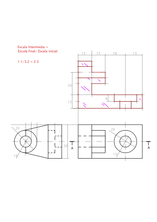
  • 2.1.3 Construir una figura semejante a otra por radiación Dada la figura ABC y la Razón de Semejanza 2/3:
    2.1.3 Construir una figura semejante a otra por radiación Dada la figura ABC y la Razón de Semejanza 2/3:
    aquimol399
    aquimol399
    20/8/24 
     207
     
  • VISTAS N4 1
    VISTAS N4 1
    anacallejasea
    anacallejasea
    22/2/24 
     62
     
  • Abatiment d'un pla definit per dues rectes
    Abatiment d'un pla definit per dues rectes
    lnunez1
    lnunez1
    17/4/20 
     4796
     
  • alfredo-perez-topete
    alfredo-perez-topete
    alfredo-perez-topete
    alfredo-perez-topete
    17/5/13 
     843
     
  • tarea #1
    tarea #1
    Mahi22
    Mahi22
    31/7/18 
     1198
     
  • Construcción de un ángulo de 120º
    Construcción de un ángulo de 120º
    Papilipolo
    Papilipolo
    14/9/16 
     2983
     
  • Términos y condiciones
  • Política de privacidad
  • Política de cookies
  • Preferencias de consentimientos
Contacto: mongge.contact@gmail.com