B3 PAU Modelo 16-17
Resolución
Solución
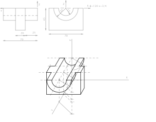
PAU Modelo 16-17. Determinar la intersección de los planos ABC y DEFG y completar la representación en perspectiva caballera de los mismos considerando su visibilidad.
PAU Modelo 16-17. Determinar la intersección de los planos ABC y DEFG y completar la representación en perspectiva caballera de los mismos considerando su visibilidad.